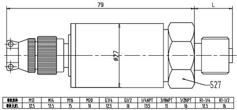
采用航空電連接器型壓力變送器外形尺寸圖
發布時間:2020-7-11??????發布人:湖南澤天??????點擊:
采用航空電連接器型壓力變送器外形尺寸圖,本外形尺寸圖適合澤天傳感的CYB230通用壓力變送器,CYB330油壓壓力變送器系列采用航空電連接器的壓力變送器產品,該外形尺寸圖詳盡列出了不同螺紋規格下產品的準確外形尺寸,方便用戶安裝使用。
文件下載:ZT03-C4-WX Model (1).pdf (點擊即可下載)
- 上一篇:CYB320-C1型工程機械壓力變送器外形CAD圖 2020/7/12
- 下一篇:采用M12電連接器型壓力傳感器外形尺寸圖 2020/7/11